公司首页
产品中心
集中润滑装置
汽车底盘润滑装置
其他配件
智能润滑系统
关于流遍
公司简介
企业文化
荣誉资质
新闻资讯
公司新闻
行业动态
常见问题
机械润滑知识
成功案列
精密机械案列
工程机械案列
石油机械案列
矿山机械案列
服务支持
产品说明书
营销网络
联系流遍
在线留言
技术资料
Alibaba
400-8267855
热门关键词:
流遍
润滑
集中润滑
汽车润滑
润滑泵
油气润滑
您的位置:
首页
>>
技术资料
>>正文
服务支持
营销网络
产品说明书
技术资料
全国免费服务热线
400-8267855
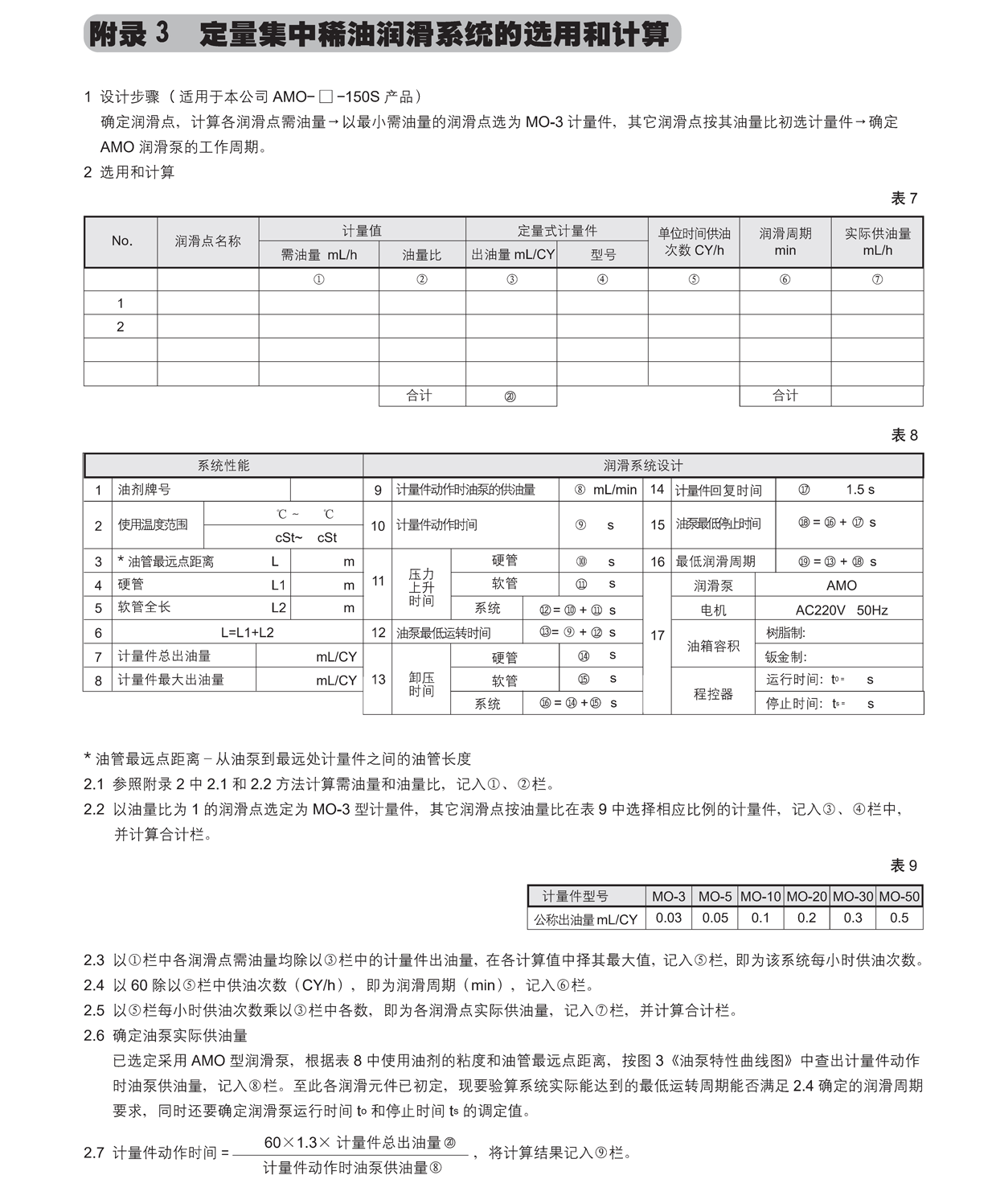
定量集中稀油润滑系统的选用和计算
...
在线咨询
全国免费服务热线
400-8267855
产品简介
/ PRODUCT INTRODUCTION
推荐产品
/ Recommended Products
GGP型油脂润滑泵
MMXL-Ⅲ型抵抗式润滑泵
GDBS1型油脂润滑泵
DDB3-M型多点油脂泵
DDB1型多点油脂泵
AMO-II、AMO-IV型润滑泵
你上次访问网站的时间为:26-05-07 04:33:02 你第1访问网站的时间为:26-05-07 04:33:04